芯城品牌采购网 > 品牌资讯 > 技术方案

AlteraAgilex™3FPGA/SoC家族:7nm工艺重构性能与成本平衡点-芯城品牌采购网

Altera全新Agilex™3器件家族凭借Hyperflex®架构与英特尔7制程工艺,重新定义FPGA能效比。该系列通过高性能AI张量模块、12.5Gbps收发器及双核ArmCortex-A55硬核处理器,在提升计算性能的同时,实现功耗与成本的显著优化,为智能工厂、医疗影像、数据中心等场景提供可扩展解决方案。一、架构革新:性能与成本的双重突破Agilex™3基于英特尔7nm工艺打造,搭载Hype

芯城品牌采购网

15256

AMD发布MI350系列AI芯片:性能超英伟达GB200-芯城品牌采购网

6月12日,AMDCEO苏姿丰在AdvancingAI大会上推出新一代AI芯片MI350系列,包含MI350与MI355两款产品,以CDNA4架构实现Instinct系列史上最大性能飞跃,直指英伟达GB200/B200在AI加速领域的主导地位。核心规格:1850亿晶体管与HBM3E内存加持MI355作为旗舰型号,搭载1850亿晶体管,配备288GBHBM3E内存,支持FP4等新型数据格式,可在单G

芯城品牌采购网

19847

英伟达首款Arm架构PC芯片“N1X”曝光-芯城品牌采购网

6月11日消息,英伟达首款Arm架构PC芯片N1X”在Geekbench测试数据库曝光,20核CPU配置与3096/18837的单核/多核跑分超越高通骁龙XElite,标志着英伟达正式进军WindowsonArm平台,与高通展开正面竞争。技术规格:20核Arm架构对标顶级AIPC芯片测试数据显示,N1X基于Armv8指令集(或为检测误差,实际可能采用Armv9),搭载20核CPU(推测为10×C

芯城品牌采购网

14739

ADI发布ADTF3175ToF传感器模块:突破传统局限的高精度3D视觉方案-芯城品牌采购网

ADI推出的ADTF3175ToF传感器模块,以100万像素高分辨率与±5mm深度精度,解决传统ToF传感器在工业、机器人等场景中的分辨率不足与检测范围受限问题。作为完整的飞行时间模块,其集成度与性能优势适用于机器视觉、AR系统及楼宇自动化等高端应用。传统ToF传感器的核心挑战传统ToF传感器在工业与高精度场景中面临多重瓶颈:分辨率不足:难以捕捉小物体细节,限制AI图像处理精度;检测范围窄:需多传

芯城品牌采购网

13490

瑞芯微RK2118G-YX芯片连获DTS双认证!沉浸式音频方案落地加速-芯城品牌采购网

瑞芯微电子旗下AI音频处理芯片RK2118G-YX近日通过DTSVirtual:X和DTS:X两项核心认证,标志着其在高端音频处理技术领域取得突破性进展。该芯片将为家庭影院、Soundbar及车载娱乐系统提供沉浸式音效解决方案。认证技术亮点解析:DTSVirtual:X认证:专为Soundbar/AVR设计,通过虚拟环绕算法在有限扬声器下重构三维声场,覆盖上混、动态控制等核心模块。DTS:X认证:

芯城品牌采购网

15893

博通(Broadcom)发布最强交换机芯片-芯城品牌采购网

7月16日消息,博通Broadcom)宣布,其突破性的以太网交换机TomahawkUltra正式上市。这款交换机旨在适应高性能计算(HPC)和人工智能(AI)工作负载,提供超低延迟、海量吞吐量和无损网络性能。TomahawkUltra并非追求通用网络的最大吞吐量,而是专注于小数据包和低延迟,旨在取代InfiniBand和NVLink等技术。它的延迟为250纳秒,在51.2Tbps的吞吐量下,能实

芯城品牌采购网

11556

英诺赛科推出100V双冷却封装GaN芯片新品-芯城品牌采购网

全球领先的氮化镓(GaN)供应商英诺赛科(Innoscience)宣布,推出两款基于100V双冷却En-FCLGA封装的新产品——INN100EA050DAD和INN100EA070DAD。这两款产品可助力太阳能微型逆变器、储能系统(ESS,直流输入)及最大功率点跟踪(MPPT)优化器实现最高效率。产品概况与封装优势两款新品INN100EA050DAD和INN100EA070DAD,采用与此前发布

芯城品牌采购网

13234

博通发布最新Jericho4芯片,为AI算力加速-芯城品牌采购网

8月4日,博通正式发布下一代Jericho网络芯片——Jericho4。这款芯片的核心使命是打破数据中心的物理距离限制,可稳定连接相距超60英里(96.5公里)的两地数据中心,同时大幅提升人工智能计算的效率,成为支撑大规模AI部署的关键基础设施。技术突破:从流量加速到安全加固Jericho4并非简单的迭代升级,而是集成了多项突破性功能。其核心优势在于显著提升大型网络的流量速度,无论是数据中心内部的

芯城品牌采购网

13522

Agilex™5SoCFPGA为核心,通过TÜV认证达到Cat.3PLd安全等-芯城品牌采购网

随着工业自动化、机器人及汽车系统日趋精密,经认证的功能安全和实时控制性能成为刚需。Altera与MathWorks联合推出的双轴电机控制系统,以Agilex™5SoCFPGA为核心,通过TÜV认证达到Cat.3PLd安全等级,融合基于模型的开发方式与灵活可移植的安全架构,为工业控制领域平衡安全与效能提供硬核技术支撑。​基于模型的设计流程​系统开发以基于模型的设计为核心:Altera的DSPBuil

芯城品牌采购网

16298

MPS芯源系统,近日发布新产品MPQ6539-AEC1,这是一款专为三相无刷直流(BLDC)电机驱动器设计的栅极驱动器IC。其输入电压高达80V,可驱动由六个N沟道功率MOSFET组成的三个半桥,属于车规级产品,适用于汽车泵、电动升降尾门、电动天窗、电动座椅调节等汽车车身电机控制场景。灵活的驱动配置除三相无刷直流电机驱动外,MPQ6539-AEC1还可驱动由四个N沟道功率MOSFET组成的单个H桥

芯城品牌采购网

11646

思瑞浦3PEAK推出I3C电平转换芯片TPT29606:低压兼容、高速传输,覆盖服务器-芯城品牌采购网

思瑞浦3PEAK近期发布一款专为I3C应用打造的电平转换芯片TPT29606,不仅支持开漏(Open-Drain)与推挽(Push-Pull)两种信号传输模式,还能向下兼容I2C、SPI等主流应用场景。其最低0.72V的供电电压与最高26Mbps的传输速率,让芯片可广泛适配服务器、路由器、存储设备、PC等多领域的电平转换需求,填补了低压高速总线转换的市场空白。一、TPT29606四大核心产品优势1

芯城品牌采购网

11070

国产射频直采ADC突破国际封锁!成都华微推出首颗4通道40GSPS芯片-芯城品牌采购网

9月1日,成都华微电子科技股份有限公司正式官宣,成功推出国产首颗4通道12位40GSPS高速高精度射频直采ADC芯片——HWD12B40GA4。这一突破不仅再次刷新国产ADC的性能上限,更标志着我国在高端射频直采领域已跻身国际领先行列。在高速信号处理领域,射频直采(RFDirectSampling)技术堪称“皇冠上的明珠”。它能直接对高频射频信号进行采样,省去传统方案中复杂的混频、中频处理环节,既

芯城品牌采购网

13605

晶存旗下妙存科技发布重磅新品QLCNANDUFS2.2存储芯片-芯城品牌采购网

QLCNANDUFS存储器正成为行业焦点,相比传统TLC架构,它兼具更高存储密度与更高性价比,但对存储控制器和固件的要求也更严苛。依托主控芯片技术的长期积累与研发投入,晶存旗下妙存科技推出新品——QLCNANDUFS2.2存储器。值得一提的是,妙存科技已于去年底率先发布UFS控制器及模组产品,此次新品旨在为终端市场提供“性能+高性价比”双优的存储方案。妙存QLCNANDUFS2.2:四大核心优势1

芯城品牌采购网

13288

微芯科技推出LAN9645xF/S千兆以太网交换机:多端口+TSN冗余,适配工业等多领域-芯城品牌采购网

Microchip微芯科技)近日宣布推出新一代LAN9645xF和LAN9645xS千兆以太网交换机,以多端口配置与功能选择,为客户提供高可靠性、高灵活性的通信方案。以太网技术能为工业设备实时连接与控制提供高速可靠通信,而该系列交换机支持时间敏感网络(TSN)等协议,可确保在严苛工业环境中无缝集成,进一步强化工业场景的连接能力。一、多配置+高灵活,适配不同部署需求LAN9645xF/S针对具体应

芯城品牌采购网

15873

AMD霄龙嵌入式4005系列发布:Zen5架构,直击边缘与工业场景芯片需求-芯城品牌采购网

AMD近日推出EPYC™(霄龙)嵌入式4005系列处理器,专为提升实时计算性能、优化成本效率设计,可延长网络安全设备与入门级工业边缘服务器的部署生命周期。该系列基于成熟AMD服务器技术打造,核心功能可满足低时延、高效设计、长寿命及高性价比的独特应用需求,凭借可扩展性提供领先每瓦性能、先进安全与连接功能、高频核心(配大容量L3缓存)及更长产品生命周期。一、Zen5架构加持,4nm芯粒实现高性能搭载高

芯城品牌采购网

13807

极海APM32F035电机控制专用MCU无电解电容变频控制方案-芯城品牌采购网

随着智能冰箱对能效、寿命及成本控制的需求提升,无电解电容变频控制技术应用日益受关注。该技术用薄膜电容替代传统电解电容,能显著降本、延长寿命,且无需复杂有源PFC电路,即可抑制单相交流输入谐波电流,简化系统架构、提高可靠性。为满足冰箱压缩机“低谐波电流+高功率因数+低成本”需求,极海推出无电解电容变频控制参考方案:以1颗APM32F035电机控制专用MCU、3颗GHD1620T电机专用栅极驱动器为核

芯城品牌采购网

14357

瑞芯微下一代旗舰芯片RK3688-芯城品牌采购网

瑞芯微以SoC芯片为核心业务支柱,同时布局电源管理芯片、接口芯片等数模混合产品,形成覆盖边缘侧、端侧AIoT智能硬件的完整产品矩阵,是国内AIoT产品线布局最丰富的厂商之一。其产品广泛渗透多领域:汽车电子(智能座舱、车载系统)、机器视觉、工业应用(边缘计算、智能制造)、教育办公、商业金融、消费电子及智能家居,且深度服务运营商客户,满足不同场景的智能化需求。一、端侧算力协处理器RK182X系列:突破

芯城品牌采购网

12216

ADI亚德诺半导体发布高性能数据采集ADC/DAC专用芯片AD4858BBCZ-芯城品牌采购网

一、行业需求背景:高压精密采集领域的技术痛点与ADI的解决方案​随着工业自动化、新能源发电、半导体测试及智能电网等领域的快速发展,“高压场景下的多通道精密同步采样”成为核心技术需求。当前市场中,传统高压采集方案常面临三大痛点:一是多通道采集存在相位差,导致电能质量分析、功率计算等场景的精度偏差;二是高压信号与微小信号共存时,动态范围不足,难以同时捕捉两类信号;三是系统设计复杂,需额外搭配衰减器、放

芯城品牌采购网

13411

泰凌微电子推出TL321X系列RISC-V架构SoC芯片-芯城品牌采购网

在万物互联浪潮加速席卷的当下,物联网设备正朝着多场景融合、低功耗长续航、高安全高兼容的方向快速演进。这一趋势对核心芯片提出了更严苛的要求——既需具备强大的性能支撑多协议连接,又要在功耗控制上做到极致,同时还要兼顾开发灵活性与数据安全性。作为深耕无线连接领域多年的领军企业,泰凌微电子凭借对物联网市场需求的深刻洞察,重磅推出TL321X系列RISC-V架构SoC,以“全能战将”的定位,为智能家居、可穿

芯城品牌采购网

13414

ADIDC1877A演示电路板产品介绍-芯城品牌采购网

简介AnalogDevicesInc.DC1877A演示电路板是一款评估板,具有基于LTC3890A同步降压直流-直流控制器的500mA输出直流-直流电源示例电路。LTC3630A采用BurstMode®工作模式实现高效运行,内置高侧和低侧功率开关。DC1877A演示板提供1.8V、3.3V、5V的跳线选择输出电压,以及额外电压选项。LTC3630A具有内部软启动功能,可提供更长的软启动时间。规范

芯城品牌采购网

13839

引言在电子技术发展历程中,半导体收音机作为二十世纪重要的科技创新产品,彻底改变了信息传播和接收方式。输出变压器作为半导体收音机音频放大电路的核心元件,其性能优劣直接影响整机的音质表现和能效水平。从技术层面来看,输出变压器在阻抗匹配、信号传输和功率转换等方面发挥着不可替代的作用。尽管现代电子设备中已经较少见到传统半导体收音机的身影,但深入理解输出变压器的工作原理和设计要点,对于掌握音频放大技术和电磁

液晶屏ESD防护解决方案-芯城品牌采购网

1静电的产生静电是一种客观存在的自然现象,产生的方式多种,如接触、摩擦、电器间感应等。静电的特点是长时间积聚、高电压、低电量、小电流和作用时间短的特点。人体自身的动作或与其他物体的接触,分离,摩擦或感应等因素,可以产生几千伏甚至上万伏的静电。2行业的困扰ESD(静电放电)对电品造成的破坏和损伤有突发性损伤和潜在性损伤两种。所谓突发性损伤,指的是器件被严重损坏,功能丧失。这种损伤通常能够在生产过程中

芯城品牌采购网

8947

车载T-BOX中MCU和SoC通信方案(SPI通信方式)-芯城品牌采购网

在车载T-BOX中,MCU和SoC之间必然存在数据通信,本篇文章将分享一种基于SPI通信方式方案。SoC作为主机,MCU作为从机,配置模式如下所示:通信模式:模式0;通信速率:4.8Mbps;数据存储:小端模式;数据长度:每包256Byte。MCU和SoC物理连接如图所示:名词解析:MISO:主设备输入从设备输出;MOSI:主设备输出从设备输入;SCLK:时钟信号,主设备产生;CS:片选,主设备控

芯城品牌采购网

10020

实时控制和通信领域的IT/OT融合如何推动工业自动化-芯城品牌采购网

如果有一个可以弯曲和转动的机械臂,它的每个轴都配备了十分精准的电机驱动器、传感器或机器视觉,仿佛在演奏一曲运动交响乐。但如果没有“指挥”告诉系统的每个器件在何时该如何执行各自的操作,那么机械臂可能会发出刺耳的碰撞声和金属摩擦声。在之前的实时控制系列文章中,我们探讨了用于感应、驱动和处理的实时控制(RTC)仪器。而要将它们贯穿起来需要借助“指挥”:实时通信。在本文中,我们将以基于实时通信和控制的工业

芯城品牌采购网

9256

AMD赛灵思工程师为你解答几种常见的SEMIP冲突-芯城品牌采购网

SEMIP是一种比较特殊的IP。它的基本工作就是不停地后台扫描检测FPGA配置RAM中的数据,一旦发现这些数据与预期值不符,即发出警告或者尽可能的修正。这个持续不断的RAM扫描动作带来的负面影响,除了一些后台资源的占用,就是产生了一定量噪声。噪声的冲突绝大多数xilinx设计里面SEM的噪声完全可以忽略不计;但是仍有部分高速应用比如HSSIO和memory,可能会受到一定干扰。比较典型的一个例子是

芯城品牌采购网

11471

如何利用MCU单片机嵌入式开发工具中的堆栈保护功能-芯城品牌采购网

在开发以MCU单片机为核心的嵌入式系统时,当软件程序将数据写入预设数据结构(通常为固定长度的缓冲区)以外的程序调用堆栈的存储地址范围时,就会产生堆栈。缓冲区溢出。这几乎肯定会破坏附近的数据,甚至改变返回函数。如果是故意的,这就是我们所知的堆栈粉碎。防止堆栈缓冲区溢出的一种方法是使用堆栈金丝雀,它的命名是因为它与在煤矿中使用金丝雀检测有毒气体相似。目前,在所有以IAREmbeddedWorkbenc

芯城品牌采购网

11414

步进电动机方案的7个注意事项-芯城品牌采购网

1.步进电机芯片步距误差是指空载时实测的步距角与理论的步距角之差。它反映了步进电动机方案角位移的精度。国产步进电动机的步距误差一般在±10′~±30′范围内,精度较高的步进电动机可达±2′~±5′。2.最大静转矩是指步进电动机在某相始终通电而处于静止不动状态时,所能承受的最大外加转矩,亦即所能输出的最大电磁转矩。它反映了步进电动机方案的制动能力和低速步进运行时的负载能力。3.步进电机芯片启动矩频特

芯城品牌采购网

10519

消费类芯片和汽车芯片的简单分类-芯城品牌采购网

消费类芯片和汽车芯片简单分类三种:能用芯片:135-28nm,对应3G手机、家电、消费电子产业够用芯片:14-7nm含chiplet,对应4G手机、L2辅助驾驶、普通座舱好用芯片:7-2nm的尖端工艺,对应5G手机、L5无人驾驶、高级座舱美国芯片法案的目的是将中国卡在能用芯片中,而为了实现从能用到够用的进阶,有三种途径:(1)延续摩尔定律的原生非A硅制程;(2)转换到第三/四代半导体材料;(3)超

芯城品牌采购网

9452

Wi-Fi6/6E四频段扩展器让无线扩展器如虎添翼-芯城品牌采购网

随着智能家居的普及,家庭中连接无线设备的数量也在大幅增加,导致2.4GHz和5GHz频段过度拥塞。Wi-Fi6技术被称为“室内5G”,网速超快;Wi-Fi6E则是Wi-Fi6的加强扩展版。Wi-Fi6E与Wi-Fi6之间最大区别在于频段,Wi-Fi6频段是2.4GHz和5GHz,Wi-Fi6E则是在两个频段外又新增了一个6GHz频段,为的是增加在线流量的快速通道。瑞萨推出的Wi-Fi6/6E四频段

芯城品牌采购网

10683

如何利用SiCMOSFET实现更高能效电力电子产品!-芯城品牌采购网

当您设计新电力电子产品时,您的目标任务一年比一年更艰巨。高效率是首要要求,但以更小的尺寸和更低的成本提供更高的功率是另一个必须实现的特性。SiCMOSFET是一种能够满足这些目标的解决方案。以下重要技巧旨在帮助您创建基于SiC半导体的开关电源,其应用领域包括光伏系统、储能系统、电动汽车(EV)充电站等。为何选择SiC?为了证明您选择SiCMOSFET作为开关模式设计的首选功率半导体是正确的,请考虑

芯城品牌采购网

11761

有源滤波器和无源滤波器哪个更好!-芯城品牌采购网

由无源元件(电阻、电容、电感)组成的滤波器叫无源滤波器;由有源元件(比如运放,它内部需要提供一定的电压才能正常工作)组成的滤波器叫有源滤波器。RC低通无源滤波器,如图:当信号频率趋于零时,电容的容抗趋于无穷大,故通带放大倍数为Aup=Uo/Ui=1电压放大倍数Au=Uo/Ui=(1/jwc)/(R+1/jwc)=1/(1+jwRc)令Fp=1/(2πRC)=1/(2πτ),则Au=1/(1+jf/

芯城品牌采购网

8773

一文了解新型存储技术-芯城品牌采购网

随着5G、人工智能(AI)、智能汽车等新兴应用的快速更迭,市场对数据存储在速度、功耗、容量、可靠性等层面提出了更高要求,存储器技术也在不断地面临着新的挑战。在当前主流的存储器技术中,DRAM虽然速度快,但功耗大、容量低、成本高,且断电无法保存数据,使用场景受限;NANDFlash读写速度低,存储密度明显受限于工艺制程。为了突破DRAM、NANDFlash等传统存储器的局限,存储器技术壁垒不断被突破

芯城品牌采购网

9232

不懂模拟电路设计,如何完成温度信号采集?-芯城品牌采购网

常规的电路方案1.使用ADI和TI公司的高集成ADC芯片完成采集。电路需要少量的外围无源元件,先从ADC读取采样值,再在MCU中进行查表换算,将采样值换算成温度值。2.使用国产的信号链芯片自行搭建。随着国内基础模拟信号链芯片的日益完善,考虑使用国产器件完成同等性能的电路,如图1。这样能降低物料供应链的风险、进一步优化成本,实现温度采集,这类基础物理量采集电路的自主可控。图1电路主要由24位SD型A

芯城品牌采购网

9239

100%国产化低相位噪声频率综合器研制成功-芯城品牌采购网

低相位噪声频率综合器NFS21-19频率综合器是现代电子系统的重要组成部分,在通讯、雷达、电子对抗、遥控遥测和仪器仪表等众多领域得到了广泛应用。尤其是在卫星导航通信、5G6G、量子通讯、电子战等系统中,频率综合器一直都是射频系统的核心部件。随着电子信息技术的发展,电子系统的高性能和小型化已经成为了一个必然的发展趋势,而频率综合器的性能提升和小型化将是实现整个电子系统性能提升的关键环节之一。在目前国

芯城品牌采购网

7595

定义:是由两块金属电极之间夹一层绝缘电介质构成。当在两金属电极间加上电压时,电极上就会存储电荷,所以电容器是储能元件。任何两个彼此绝缘又相距很近的导体,组成一个电容器。平行板电容器由电容器的极板和电介质组成。特点:1.它具有充放电特性和阻止直流电流通过,允许交流电流通过的能力。2.在充电和放电过程中,两极板上的电荷有积累过程,也即电压有建立过程,因此,电容器上的电压不能突变。电容器的充电:两板分别

芯城品牌采购网

8201

5个并联电容的9个谐振频率-芯城品牌采购网

理想电容只存在于教科书中,现实世界的每个电容器都会因其实体结构而产生额外的复杂性。由介电层(dielectriclayer)隔开的两个极板(plate)与导线或金属箔(metalfoil)串联,即可实现实际的连接;这两种金属导体会导入等效串联电感(ESL)以及等效串联电阻(ESR)。总而言之,实体电容就是一种串联谐振电路(seriestankcircuit),具有串联谐振频率以及受串联电阻影响的串

芯城品牌采购网

7039

降压变换器功耗以及如何提高效率-芯城品牌采购网

本文将探讨在设计降压(buck或step-down)变换器时哪些参数最重要,以及如何将其与可用的最佳电感配对。我们还将学习如何计算基本参数,并解释开关模式电源IC和电感的一些参数要求,包括纹波电流、电感(L)、饱和电流(ISAT)和额定电流(IR)。当今电子行业近10年来,消费者越来越期望技术使他们的生活更轻松。与此同时,普通家庭的电子产品数量也在增加。不断增多的连接和电子设备选择意味着这些设备必

芯城品牌采购网

6774

光耦合器输入驱动电路的LED电流分流技术-芯城品牌采购网

本文档重点介绍光耦合器,包括其基本原理,操作和常见应用。为了最大程度地提高设备效率,建议使用一些技术。还讨论了将LED用作输入的情况以及用于所述拓扑的相应处理技术。简介光耦合器是光源和光敏检测器的组合。在光耦合器或光子耦合对中,耦合是通过在透明绝缘间隙的一侧生成光,并在间隙的另一侧检测到光而实现的,而两侧之间没有电连接(少量的光耦合器除外)耦合电容)。在飞兆半导体的光耦合器中,光是由红外发光二极管

芯城品牌采购网

10229

场效应管的工作原理是什么场效应管的特点-芯城品牌采购网

场效应管是利用控制输入回路的电场效应来控制输出回路电流的一种半导体器件,由于它仅靠半导体中的多数载流子导电,又称单极型晶体管。场效应管具有输入电阻高、噪声小、功耗低、动态范围大、易于集成、没有二次击穿现象、安全工作区域宽等优点。场效应管的工作原理是什么?场效应管的特点有哪些?场效应管的工作原理是什么场效应管的特点场效应管的工作原理是什么场效应管的工作原理是什么场效应管工作原理用一句话说,就是“漏极

芯城品牌采购网

7797

这一文来说说什么是磁传感器芯片?最常用的磁传感器芯片类型及应用-芯城品牌采购网

1.什么是磁传感器半导体芯片?磁传感器半导体芯片通常是指将磁场的大小和变化转换成电信号。磁场,以地球磁场(地磁)或磁石为例的磁场是我们熟悉但不可见的现象。将不可见的磁场转化为电信号,以及转化为可见效应的磁传感器一直以来都是研究的主题。从几十年前使用电磁感应效应的传感器,到如今涉及磁场电效应、磁阻效应、约瑟夫森效应和其他物理现象的应用。2.典型磁传感器及其应用现在,利用各种物理效应的传感器已经商业化

芯城品牌采购网

9027

SMT贴片中回流焊主要工艺参数的控制方法-芯城品牌采购网

回流焊SMT是将电子元器件焊接到PCB板上,回流焊是用于表面SMD贴装器件。回流焊是利用热气流对焊点的作用,使凝胶状助焊剂在一定的高温气流作用下发生物理反应,实现SMD焊接。之所以称之为“回流焊”,是因为气体在焊机内循环产生高温,以达到焊接的目的。回流焊的主要工艺参数是传热、链速控制和风速风量控制。接下来,我将和大家分享回流焊主要工艺参数的控制方法。1.回流焊热传递的控制。回流焊热风输送目前很多产

芯城品牌采购网

9476

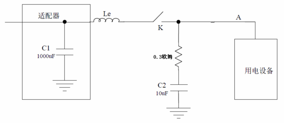
电容电阻在电源输入口串联的特殊用处-芯城品牌采购网

我们经常使用电容和电阻,我们也比较熟悉单个电子元器件的使用。你会用电阻和电容吗?。今天,我就和大家一起简单了解几个电阻电容使用的例子。。1.个电阻器串联电容器。这类应用在电源输入口很常见,如下图1所示。串联电容器一般是陶瓷电容器,小电阻串联在一起,以限制通电瞬间流过电感Le的电流,从而也抑制了A点的电流。。当然,这种连接方法也可以用一个ESR比较大的单个电解电容器来代替。电阻和电容的串联连接也可以

芯城品牌采购网

8561